您好,欢迎来到日本购物网! 请登录 免费注册 [帮助中心]
8:30-12:00/13:00-18:30
400-668-2606
9軸センサー ガーミン、jrc1030用GPS付きヘディングセンサー10Hz+みちびき受信GPS10Hz  38400bps
9軸センサー ガーミン、jrc1030用GPS付きヘディングセンサー10Hz+みちびき受信GPS10Hz  38400bps [浏览原始页面]
当前价:25000 日元(合1205.00人民币)

加价单位:0 日元/0.00 人民币

一口价:25000 日元 合 1205.00 人民币
当前最高出价者: 出价次数:0
距结束:
82856.839555
手动刷新
升级包月会员,免预付款出价! 《会员制说明》
卖方资料

卖家账号:os2********

卖家评价:好评:1110 差评:3

店铺卖家:不是

发货地址:静岡県

商品信息

拍卖号:s1203495961

结束时间:11/22/2025 18:52:47

日本邮费:买家承担

可否退货:可

开始时间:11/15/2025 19:52:47

商品成色:新品

自动延长:不可

个 数:1

提前结束:可

最高出价:

拍卖注意事项

1、【自动延长】:如果在结束前5分钟内有人出价,为了让其他竞拍者有时间思考,结束时间可延长5分钟。

2、【提前结束】:卖家觉得达到了心理价位,即使未到结束时间,也可以提前结束。

3、参考翻译由网络自动提供,仅供参考,不保证翻译内容的正确性。如有不明,请咨询客服。

4、本站为日拍、代拍平台,商品的品质和卖家的信誉需要您自己判断。请谨慎出价,竞价成功后订单将不能取消。

5、违反中国法律、无法邮寄的商品(注:象牙是违禁品,受《濒临绝种野生动植物国际贸易公约》保护),本站不予代购。

6、邮政国际包裹禁运的危险品,邮政渠道不能发送到日本境外(详情请点击), 如需发送到日本境外请自行联系渠道。

●9軸センサー
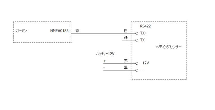
●ガーミンGPSMAP・ECHOMAP・AQUAMAP、Ultra・UHD・PLUS 、jrc1030用、高精度・高感度ヘディングセンサー10Hz内臓GPSアンテナ10Hz38400bps (NMEA0183、RS422・RS232C対応)
ローランスは画面更新速度が1Hzのタイプは(Tiも)、1Hzバージョンを購入してください(画面がフリーズする場合があります)
●ローランス ポイント1相当の精度・感度
●高精度GPS、予想誤差径WAAS(MSAS)時約3m(ポイン1も約3m、HDS内臓8m:WAAS受信無し、”予想誤差径 HDS”で検索)
 みちびき受信(ガーミンはGPS魚探側が衛星表示対応していない為、衛星表示しませんがデータは受信はしています、PCに接続すると表示します)
●高感度GPS、感度ポイント1同等(平屋の場合室内でも受信する場合があります)
●コールドスタート約40秒
●RS422、38400bps、NMEA0183(RS232Cの場合はRS422+側のみを接続で使用可能)

●ケーブル長約1m(別途1m1,000円で延長可能、レーダーがある場合は離して設置したほうがいいです)
●自作プリント基板品
●防水ABS製BOX、防水ケーブルグランド(外に設置すると結露等で破損する場合があります、キャビン内に設置してください)
● 電源電圧12V 電源逆接続防止回路有り
●サイズ 約65X50X55
●接続は接続図付
●高精度・高感度GPS・ヘ ディングセンサーをつければマダイ・イサキ釣りのピンスポット釣りに最適です
●Garmin GPSmap、ECHOMAPPlusで動作確認しました。
(ローランスLMSはつながりませんでした)
●JRCの場合はお客様のほうでJRCさんからNMEA接続ケーブルは手配お願いします。

●故障・ 修理はメールでサ ポートします
●動作確認時の、マリーナにて移動式上下架費・取付費用等は故障・不動の場合でもお支払いできません。
出价者 信用 价格 时间
推荐
地址: 205-0023 東京都羽村市神明台
国内客服电话:400-668-2606
E-mail:gouwujp@gmail.com
//